德冠高壓風機特點
高性能:高達2500m3/h的吸氣量和高達780mbar的壓差.
高品質:采用寬壓雙頻,使用零件達到最高要求,運用標準IP55,
F級高效馬達,且通過CE認證,達到最高標準。
低噪音:采用低噪音馬達加一體式的消音設備,噪音極低。
易安裝:可隨時安裝與使用,亦可任意安裝于水平或垂直方向
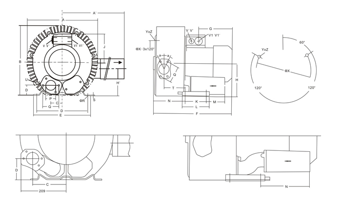
德冠品牌高壓風機尺寸表:

|
型號 |
曲線編碼 |
A |
A' |
B |
C |
D |
E |
F |
G |
H |
H' |
J |
K |
L |
M |
N |
|
2DG720H16 |
|
426 |
426 |
410 |
63 |
290 |
325 |
496 |
188 |
175 |
162 |
135 |
140 |
180 |
84 |
205 |
|
型號 |
曲線編碼 |
O |
P |
Q |
ΦR |
S |
T |
U |
V |
V' |
V1 |
V1' |
a |
ΦX |
Y*Z |
X-holes |
|
2DG720H16 |
|
54 |
55 |
83 |
15 |
4.5 |
130 |
M8*17 |
M32*1.5 |
M32*1.5 |
M32*1.5 |
M32*1.5 |
--- |
240 |
M10*20 |
51.5°/171.5°/291.5° |
德冠品牌高壓風機產品參數表:
|
曲線編碼 |
型號 |
頻率 |
額定功率 |
額定電壓 |
額定電流 |
最大流量 |
最大吸力 |
最大吹力 |
噪聲 |
尺寸 (L*W*H) |
重量 |
|
No |
|
Hz |
KW |
V |
A |
m3/h |
mbar |
mbar |
dB(A) |
mm |
Kg |
|
|
2DG 720 H16 |
50 |
2.2 |
200-240 △ 345-415Y |
9.7△/5.6Y |
320 |
-220 |
210 |
73 |
496*426*410 |
43 |
|
|
60 |
2.55 |
220-275 △ 380-480Y |
10.3△/6.0Y |
385 |
-170 |
150 |
76 |
*另注:以上參數是指風機在正常工作情況下,允許的最大工作吸力/吹力。