德冠品牌高壓風機的特點:
高性能:高達2500m3/h的吸氣量和高達780mbar的壓差.
高品質:采用寬壓雙頻,使用零件達到最高要求,運用標準IP55,
F級高效馬達,且通過CE認證,達到最高標準。
低噪音:采用低噪音馬達加一體式的消音設備,噪音極低。
易安裝:可隨時安裝與使用,亦可任意安裝于水平或垂直方向
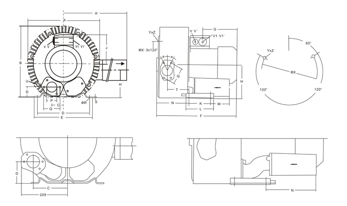
德冠品牌高壓風機尺寸表:

|
型號 |
曲線編碼 |
A |
A' |
B |
C |
D |
E |
F |
G |
H |
H' |
J |
K |
L |
M |
N |
|
2DG520H57 |
|
372 |
411 |
371 |
60 |
260 |
295 |
499 |
224 |
175 |
144 |
135 |
115 |
155 |
98 |
98 |
|
型號 |
曲線編碼 |
O |
P |
Q |
ΦR |
S |
T |
U |
V |
V' |
V1 |
V1' |
a |
ΦX |
Y*Z |
X-holes |
|
2DG520H57 |
|
48 |
55 |
83 |
14 |
4 |
116 |
M8*17 |
M32*1.5 |
M32*1.5 |
M32*1.5 |
M32*1.5 |
--- |
200 |
M8*20 |
51°/171°/291° |
德冠品牌高壓風機產品參數表:
|
曲線編碼 |
型號 |
頻率 |
額定功率 |
額定電壓 |
額定電流 |
最大流量 |
最大吸力 |
最大吹力 |
噪聲 |
尺寸 (L*W*H) |
重量 |
|
No |
|
Hz |
KW |
V |
A |
m3/h |
mbar |
mbar |
dB(A) |
mm |
Kg |
|
|
2DG 520 H57 |
50 |
4 |
345-415 △ |
10△5.8Y |
230 |
-390 |
490 |
72 |
499*372*371 |
43 |
|
|
60 |
4.6 |
345-415 △ |
9.9△5.71Y |
275 |
-410 |
480 |
74 |
*另注:以上參數是指風機在正常工作情況下,允許的最大工作吸力/吹力。