德冠高壓風機特點
高性能:高達2500m3/h的吸氣量和高達780mbar的壓差.
高品質:采用寬壓雙頻,使用零件達到最高要求,運用標準IP55,
F級高效馬達,且通過CE認證,達到最高標準。
低噪音:采用低噪音馬達加一體式的消音設備,噪音極低。
易安裝:可隨時安裝與使用,亦可任意安裝于水平或垂直方向
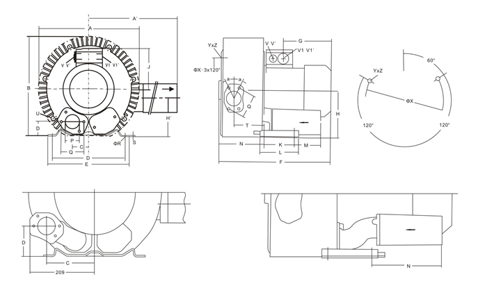
德冠高壓風機尺寸圖

|
型號 |
曲線編碼 |
A |
A' |
B |
C |
D |
E |
F |
G |
H |
H' |
J |
K |
L |
M |
N |
|
2DG420H36 |
|
322 |
324 |
315 |
58 |
225 |
255 |
401 |
191 |
154 |
153 |
128 |
95 |
130 |
73 |
151 |
|
型號 |
曲線編碼 |
O |
P |
Q |
ΦR |
S |
T |
U |
V |
V' |
V1 |
V1' |
a |
ΦX |
Y*Z |
X-holes |
|
2DG420H36 |
|
45 |
G1 1/2 |
72 |
12 |
3 |
104 |
M6*19 |
- |
- |
M16*1.5 |
M16*1.5 |
28° |
174 |
M6*15 |
51°/171°/291° |
高壓風機產品參數表:
|
曲線編碼 |
型號 |
頻率 |
額定功率 |
額定電壓 |
額定電流 |
最大流量 |
最大吸力 |
最大吹力 |
噪聲 |
尺寸 (L*W*H) |
重量 |
|
No |
|
Hz |
KW |
V |
A |
m3/h |
mbar |
mbar |
dB(A) |
mm |
Kg |
|
A170 |
2DG 420 H36 |
50 |
1.6 |
200-240△345-415Y |
7.5△/4.3Y |
150 |
-280 |
280 |
66 |
401*321*315 |
25 |
|
A171 |
60 |
2.05 |
220-275△380-480Y |
7.6△/4.4Y |
180 |
-320 |
310 |
69 |
*另注:以上參數是指風機在正常工作情況下,允許的最大工作吸力/吹力。